わかりやすい用語解説

 

区切りアニメ

〜わかりやすい用語講座〜

アニメ01 アニメ02
アニメ03 アニメ04 アニメ05
第4回

<シーケンサーの設計/プログラム>

【シーケンサーの設計について】

 前回までで、シーケンス制御は様々な分野で広く利用され、産業分野だけでなく日常生活の面でも幅広く活躍している(産業用機器から家庭電化製品にまで)事がお分かりいただけたと思います。弊社では、原則的に産業分野における制御関連事業を行っている訳ですので、前述のとおり、主に『リレーシーケンス』と『マイクロコンピュータ・シーケンス』を設計の中心に据えています。  

   当社事業内容は、設計/組立て/設置を一貫して行っていますが、ここではハード面とソフト面に分けて考えていきましょう。シーケンサ設計の業務では、簡単に大別すると電気回路(ハードウェア)と制御プログラム(ソフトウェア)の2つになります。 (ここではわかりやすく解説する為に、こうしてまとめましたが、一応の分類にすぎません。実際の現場での差異や細部の理論的な誤差はある程度捨象しています。下に掲げた回路に関しても、確然たる境界があるのではなく、部分的に異なったり中間的であったり、相互に関連・影響してもいます)
図解1

 

 (A)電気回路の構成について
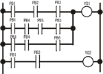
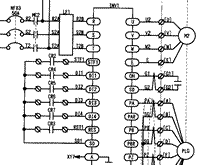
・シーケンス制御を行う為に必要な設計のうち、ハード設計といわれるものがあります。これは電気回路を設計していくもので、以下のような種類に分類されます。これをシーケンス図(配線図)と言われる図面資料に起こしていく作業があります。
 これらの図面は、電気機械・器具・設備に関する『接続』『構造』『配置』『作用(機能)』などを表現する事で、第三者を含めて業務に関わる誰が見てもわかるものになります。
 回路の種類としては、「主幹回路」「操作回路」「動力制御回路」「運転準備回路」「センサー入力回路」など多種多様な回路が存在します。

電機回路図1  

      電機回路図2

 また、ハード設計(電気回路)というものとは別にソフト設計が必要な場合が多数あり、シーケンサー(制御機器)の内部には組み込まれたメモリ(記憶)部品がマイクロコンピュータの心臓部/CPU(演算部)によって命令・指示していくようにプログラムを組んでいかなければなりません。これをシーケンスプログラムと呼んでいます。
 
シーケンス制御図解
(B)プログラム設計について

 シーケンスプログラムを入力していくには、シーケンス回路を作図していく場合(ラダー図入力)と命令語を記述していくもの(リストプログラム)があります。視覚的にわかりやすい為、ラダー図入力が一般的です。ラダー(Ladder)とは英語の『梯子』を意味しますが、図示した内容がまるで{はしご}のように見える事から来ているものと思われます。 
ラダー図   設計打ち合わせ
 こうして汎用シーケンサーのプログラムは制作され、前述(A) の回路製図をチェックした上で(B)の作業は行われます。現実には、これらAとBの作業はスケジュールの都合上同時進行する事も多く、クライアントとの調整/打ち合わせや各種機器、部品のスペックなどと照合を重ねながら業務進行していきます。
 こうした作業ではクライアントに、綿密なフィードバックをしながら不都合はないか、さらなる要求がある場合にはそれらを取り入れて調整を計り、プログラムと全体の制御機能の融合を測って仕上げていきます。

 こうして、全体構成から細かい部分にまでわたって、設計を行うのです。

電気記号アニメ1
電気記号アニメ2
 
電気記号アニメ4
電気記号アニメ3

Backボタン  


BackTOP

閉じる